万象城体育

语言选择(language)
banner
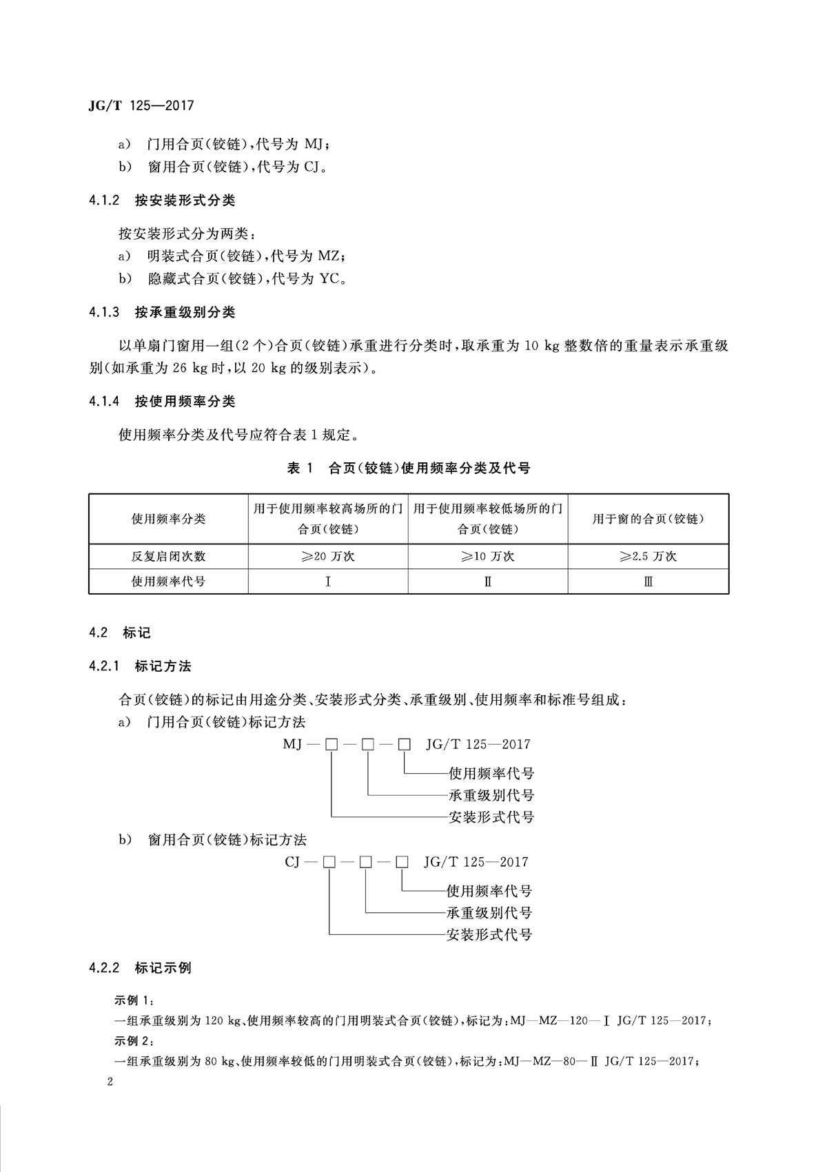
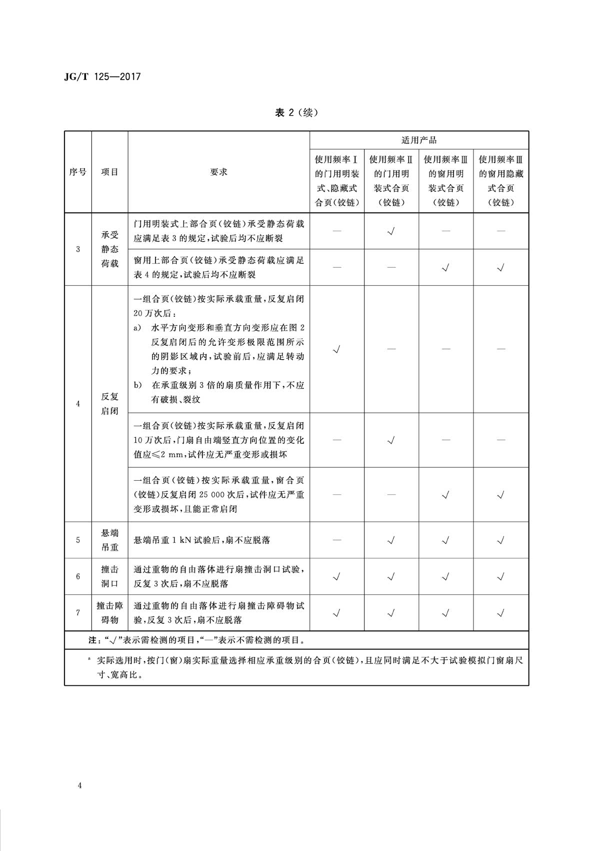
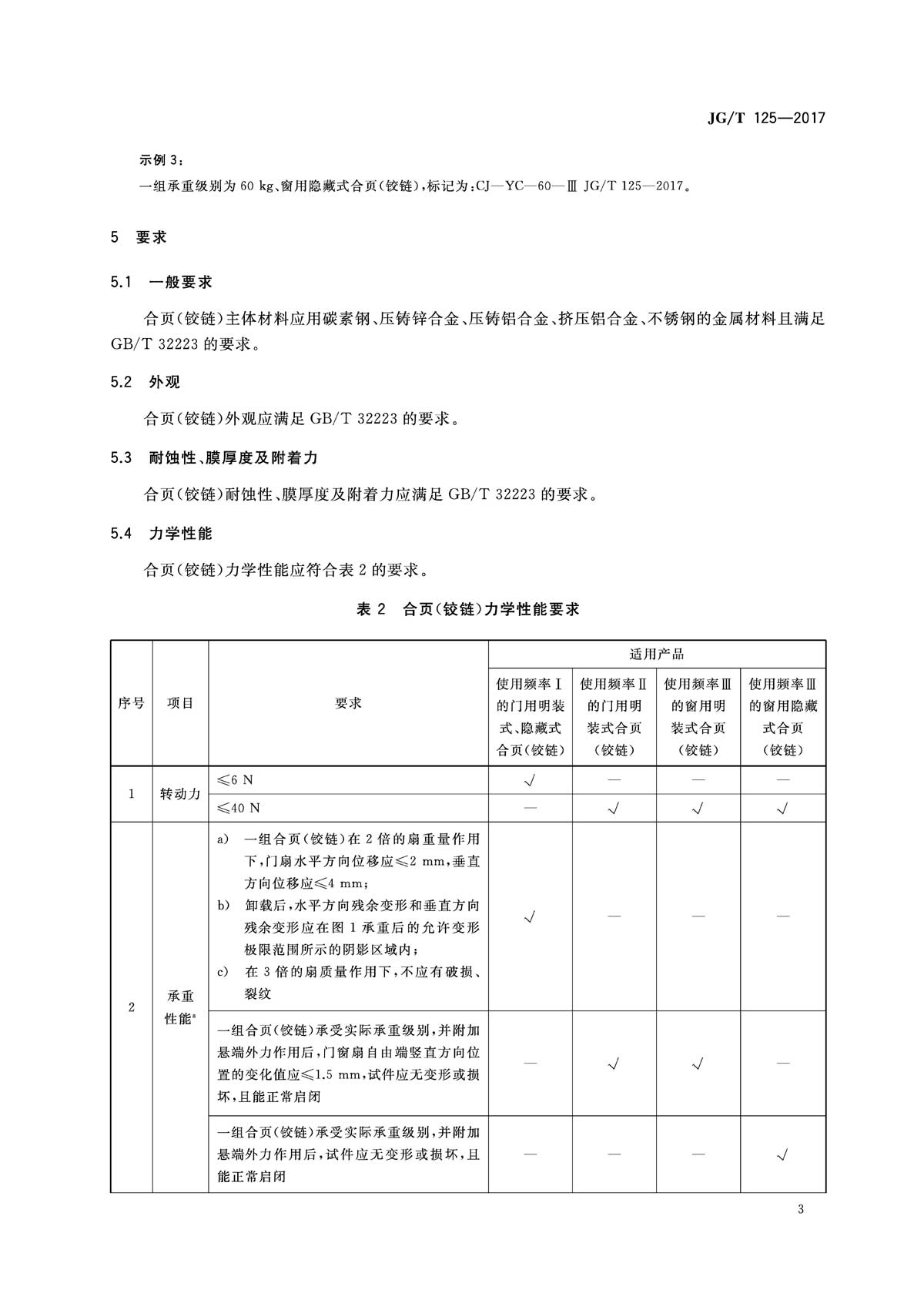
合页(铰链)行业标准 JG/T125-2017
  • 产品型号:
  • 所属分类:行业标准
  • 产品描述:
  • 在线咨询
产品详情


 var _hmt = _hmt || []; (function() { var hm = document.createElement("script"); hm.src = "https://hm.baidu.com/hm.js?25a8b6ddd6dc7b9a90aeb1f51e218aa6"; var s = document.getElementsByTagName("script")[0]; s.parentNode.insertBefore(hm, s); })(); 万象城体育awcsport 万象城AWC(中国区)-官方网站 万象城西甲联赛官方版-万象城西甲联赛 彩神-追求健康,你我一起成长 彩神官网APP下载官方版-彩神官网